- Úvod
- Katalog
- Silentbloky
- Typ B
- Silentblok B - D8 - H10 - M4/6mm x M4
- Katalogové číslo: 337599
- Celní sazebník: 40169952
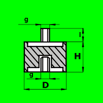
Silentblok B - D8 - H10 - M4/6mm x M4
Specifikace
- Materiál:
- NK(NR)
- Typ:
- B
- Tvrdost (Sh A):
- 55 (+/-5)
- Rozměr 1:
- D8 - H10
- Rozměr 2:
- M4/6mm x M4
- Vnitřní průměr (d) (mm):
- 0,00
- Vnější průměr (D) (mm):
- 8,00
- Výška (H) (mm):
- 10,00
- Závit (g):
- M4
- Délka závitu (I) (mm):
- 6
+420 777 666 555
(Po‐Pá 7:00‐15:15)
Varianty produktu
4727 variantNaposledy navštívené produkty
2 produkty
146271
Gufero NBR GP 220 x 250 x 16
Skladem
od 204,74 Kč / ks
od 247,73 Kč vč. DPH
1 ks
383,88 Kč
383,88 Kč
od 10 ks
319,90 Kč
319,90 Kč
od 20 ks
204,74 Kč
204,74 Kč
146228
Gufero NBR GP 180 x 210 x 15
Skladem
od 139,72 Kč / ks
od 169,06 Kč vč. DPH
1 ks
261,97 Kč
261,97 Kč
od 10 ks
218,31 Kč
218,31 Kč
od 20 ks
139,72 Kč
139,72 Kč













