- Úvod
- Katalog
- Silentbloky
- Typ B
- Silentblok B - D10 - H9 - M4/6mm x M4
- Katalogové číslo: 337629
- Celní sazebník: 40169952
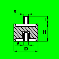
Silentblok B - D10 - H9 - M4/6mm x M4
Specifikace
- Materiál:
- NK(NR)
- Typ:
- B
- Tvrdost (Sh A):
- 55 (+/-5)
- Rozměr 1:
- D10 - H9
- Rozměr 2:
- M4/6mm x M4
- Vnitřní průměr (d) (mm):
- 0,00
- Vnější průměr (D) (mm):
- 10,00
- Výška (H) (mm):
- 9,00
- Závit (g):
- M4
- Délka závitu (I) (mm):
- 6
+420 777 666 555
(Po‐Pá 7:00‐15:15)
Varianty produktu
4727 variantNaposledy navštívené produkty
3 produkty
224784
Gufero NBR GP 135 x 150 x 10
Skladem
od 59,11 Kč / ks
od 71,52 Kč vč. DPH
1 ks
110,83 Kč
110,83 Kč
od 10 ks
92,36 Kč
92,36 Kč
od 20 ks
59,11 Kč
59,11 Kč














