- Úvod
- Katalog
- Silentbloky
- Typ B
- Silentblok B - D10 - H17 - M4/8mm x M4
- Katalogové číslo: 337660
- Celní sazebník: 40169952
Silentblok B - D10 - H17 - M4/8mm x M4
Specifikace
- Materiál:
- NK(NR)
- Typ:
- B
- Tvrdost (Sh A):
- 55 (+/-5)
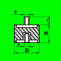
- Rozměr 1:
- D10 - H17
- Rozměr 2:
- M4/8mm x M4
- Vnitřní průměr (d) (mm):
- 0,00
- Vnější průměr (D) (mm):
- 10,00
- Výška (H) (mm):
- 17,00
- Závit (g):
- M4
- Délka závitu (I) (mm):
- 8
+420 777 666 555
(Po‐Pá 7:00‐15:15)
Varianty produktu
4727 variantNaposledy navštívené produkty
4 produkty
Skladem
od 26,49 Kč / ks
od 32,05 Kč vč. DPH
1 ks
61,80 Kč
61,80 Kč
od 50 ks
44,14 Kč
44,14 Kč
od 100 ks
26,49 Kč
26,49 Kč















