- Úvod
- Katalog
- Silentbloky
- Typ B
- Silentblok B - D12,5 - H10 - M4/10mm x M4
- Katalogové číslo: 337760
- Celní sazebník: 40169952
Silentblok B - D12,5 - H10 - M4/10mm x M4
Specifikace
- Materiál:
- NK(NR)
- Typ:
- B
- Tvrdost (Sh A):
- 55 (+/-5)
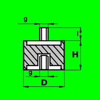
- Rozměr 1:
- D12,5 - H10
- Rozměr 2:
- M4/10mm x M4
- Vnitřní průměr (d) (mm):
- 0,00
- Vnější průměr (D) (mm):
- 12,50
- Výška (H) (mm):
- 10,00
- Závit (g):
- M4
- Délka závitu (I) (mm):
- 10
+420 777 666 555
(Po‐Pá 7:00‐15:15)
Varianty produktu
4727 variantNaposledy navštívené produkty
10 produktů




















