- Úvod
- Katalog
- Silentbloky
- Typ B
- Silentblok B - D13 - H12 - M6/10mm x M6
- Katalogové číslo: 337811
- Celní sazebník: 40169952
Silentblok B - D13 - H12 - M6/10mm x M6
Specifikace
- Materiál:
- NK(NR)
- Typ:
- B
- Tvrdost (Sh A):
- 55 (+/-5)
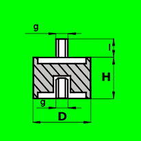
- Rozměr 1:
- D13 - H12
- Rozměr 2:
- M6/10mm x M6
- Vnitřní průměr (d) (mm):
- 0,00
- Vnější průměr (D) (mm):
- 13,00
- Výška (H) (mm):
- 12,00
- Závit (g):
- M6
- Délka závitu (I) (mm):
- 10
+420 777 666 555
(Po‐Pá 7:00‐15:15)
Varianty produktu
4727 variantNaposledy navštívené produkty
2 produkty
121299
Gufero NBR G 17 x 34 x 4
Skladem
od 6,85 Kč / ks
od 8,28 Kč vč. DPH
1 ks
12,83 Kč
12,83 Kč
od 10 ks
10,69 Kč
10,69 Kč
od 20 ks
6,85 Kč
6,85 Kč













