- Úvod
- Katalog
- Silentbloky
- Typ B
- Silentblok B - D18 - H7,5 - M6/12mm x M6
- Katalogové číslo: 338068
- Celní sazebník: 40169952
Silentblok B - D18 - H7,5 - M6/12mm x M6
Specifikace
- Materiál:
- NK(NR)
- Typ:
- B
- Tvrdost (Sh A):
- 55 (+/-5)
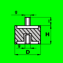
- Rozměr 1:
- D18 - H7,5
- Rozměr 2:
- M6/12mm x M6
- Vnitřní průměr (d) (mm):
- 0,00
- Vnější průměr (D) (mm):
- 18,00
- Výška (H) (mm):
- 7,50
- Závit (g):
- M6
- Délka závitu (I) (mm):
- 12
+420 777 666 555
(Po‐Pá 7:00‐15:15)
Varianty produktu
4727 variantNaposledy navštívené produkty
5 produktů
247470
O-kroužek NBR 70 Sh - 16 x 3
Skladem
od 0,32 Kč / ks
od 0,39 Kč vč. DPH
1 ks
0,56 Kč
0,56 Kč
od 1.000 ks
0,49 Kč
0,49 Kč
od 2.000 ks
0,32 Kč
0,32 Kč
















