- Úvod
- Katalog
- Silentbloky
- Typ B
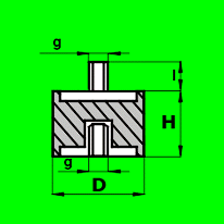
- Silentblok B - D18 - H13 - M5/15mm x M5
- Katalogové číslo: 338112
- Celní sazebník: 40169952
Silentblok B - D18 - H13 - M5/15mm x M5
Specifikace
- Materiál:
- NK(NR)
- Typ:
- B
- Tvrdost (Sh A):
- 55 (+/-5)
- Rozměr 1:
- D18 - H13
- Rozměr 2:
- M5/15mm x M5
- Vnitřní průměr (d) (mm):
- 0,00
- Vnější průměr (D) (mm):
- 18,00
- Výška (H) (mm):
- 13,00
- Závit (g):
- M5
- Délka závitu (I) (mm):
- 15
+420 777 666 555
(Po‐Pá 7:00‐15:15)
Varianty produktu
4727 variantNaposledy navštívené produkty
4 produkty
Do 14 dnů
od 0,36 Kč / ks
od 0,43 Kč vč. DPH
od 100 ks
0,64 Kč
0,64 Kč
od 200 ks
0,46 Kč
0,46 Kč
od 300 ks
0,36 Kč
0,36 Kč
374568
Závitový kolík - M8x75mm
Do 14 dnů
od 3,26 Kč / ks
od 3,94 Kč vč. DPH
1 ks
5,82 Kč
5,82 Kč
od 100 ks
4,19 Kč
4,19 Kč
od 300 ks
3,26 Kč
3,26 Kč















