- Úvod
- Katalog
- Silentbloky
- Typ B
- Silentblok B - D19,5 - H20 - M6/23mm x M6
- Katalogové číslo: 338162
- Celní sazebník: 40169952
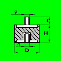
Silentblok B - D19,5 - H20 - M6/23mm x M6
Specifikace
- Materiál:
- NK(NR)
- Typ:
- B
- Tvrdost (Sh A):
- 55 (+/-5)
- Rozměr 1:
- D19,5 - H20
- Rozměr 2:
- M6/23mm x M6
- Vnitřní průměr (d) (mm):
- 0,00
- Vnější průměr (D) (mm):
- 19,50
- Výška (H) (mm):
- 20,00
- Závit (g):
- M6
- Délka závitu (I) (mm):
- 23
+420 777 666 555
(Po‐Pá 7:00‐15:15)
Varianty produktu
4727 variantNaposledy navštívené produkty
6 produktů
















