- Úvod
- Katalog
- Silentbloky
- Typ B
- Silentblok B - D20 - H18,5 - M5/12mm x M5
- Katalogové číslo: 338313
- Celní sazebník: 40169952
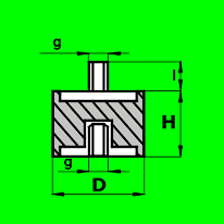
Silentblok B - D20 - H18,5 - M5/12mm x M5
Specifikace
- Materiál:
- NK(NR)
- Typ:
- B
- Tvrdost (Sh A):
- 55 (+/-5)
- Rozměr 1:
- D20 - H18,5
- Rozměr 2:
- M5/12mm x M5
- Vnitřní průměr (d) (mm):
- 0,00
- Vnější průměr (D) (mm):
- 20,00
- Výška (H) (mm):
- 18,50
- Závit (g):
- M5
- Délka závitu (I) (mm):
- 12
+420 777 666 555
(Po‐Pá 7:00‐15:15)
Varianty produktu
4727 variantNaposledy navštívené produkty
10 produktů




















