- Úvod
- Katalog
- Silentbloky
- Typ B
- Silentblok B - D20 - H60 - M8/12mm x M8
- Katalogové číslo: 338480
- Celní sazebník: 40169952
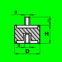
Silentblok B - D20 - H60 - M8/12mm x M8
Specifikace
- Materiál:
- NK(NR)
- Typ:
- B
- Tvrdost (Sh A):
- 55 (+/-5)
- Rozměr 1:
- D20 - H60
- Rozměr 2:
- M8/12mm x M8
- Vnitřní průměr (d) (mm):
- 0,00
- Vnější průměr (D) (mm):
- 20,00
- Výška (H) (mm):
- 60,00
- Závit (g):
- M8
- Délka závitu (I) (mm):
- 12
+420 777 666 555
(Po‐Pá 7:00‐15:15)
Varianty produktu
4727 variantNaposledy navštívené produkty
4 produkty
224374
Gufero NBR GP 68 x 88 x 8
Skladem
od 22,60 Kč / ks
od 27,34 Kč vč. DPH
1 ks
42,37 Kč
42,37 Kč
od 10 ks
35,31 Kč
35,31 Kč
od 20 ks
22,60 Kč
22,60 Kč















