- Úvod
- Katalog
- Silentbloky
- Typ B
- Silentblok B - D25 - H15 - M8/28mm x M8
- Katalogové číslo: 338520
- Celní sazebník: 40169952
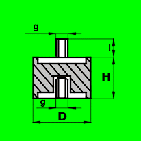
Silentblok B - D25 - H15 - M8/28mm x M8
Specifikace
- Materiál:
- NK(NR)
- Typ:
- B
- Tvrdost (Sh A):
- 55 (+/-5)
- Rozměr 1:
- D25 - H15
- Rozměr 2:
- M8/28mm x M8
- Vnitřní průměr (d) (mm):
- 0,00
- Vnější průměr (D) (mm):
- 25,00
- Výška (H) (mm):
- 15,00
- Závit (g):
- M8
- Délka závitu (I) (mm):
- 28
+420 777 666 555
(Po‐Pá 7:00‐15:15)
Varianty produktu
4727 variantNaposledy navštívené produkty
5 produktů
145889
Gufero NBR GP 80 x 100 x 10
Skladem
od 27,17 Kč / ks
od 32,87 Kč vč. DPH
1 ks
50,95 Kč
50,95 Kč
od 10 ks
42,46 Kč
42,46 Kč
od 20 ks
27,17 Kč
27,17 Kč
















