- Úvod
- Katalog
- Silentbloky
- Typ B
- Silentblok B - D25 - H17 - M6/15mm x M6
- Katalogové číslo: 338529
- Celní sazebník: 40169952
Silentblok B - D25 - H17 - M6/15mm x M6
Specifikace
- Materiál:
- NK(NR)
- Typ:
- B
- Tvrdost (Sh A):
- 55 (+/-5)
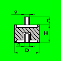
- Rozměr 1:
- D25 - H17
- Rozměr 2:
- M6/15mm x M6
- Vnitřní průměr (d) (mm):
- 0,00
- Vnější průměr (D) (mm):
- 25,00
- Výška (H) (mm):
- 17,00
- Závit (g):
- M6
- Délka závitu (I) (mm):
- 15
+420 777 666 555
(Po‐Pá 7:00‐15:15)
Varianty produktu
4727 variantNaposledy navštívené produkty
4 produkty
144963
Gufero NBR GP 32 x 62 x 7
Skladem
od 14,19 Kč / ks
od 17,16 Kč vč. DPH
1 ks
26,60 Kč
26,60 Kč
od 10 ks
22,16 Kč
22,16 Kč
od 20 ks
14,19 Kč
14,19 Kč















