- Úvod
- Katalog
- Silentbloky
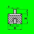
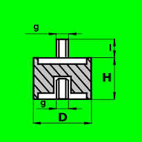
- Typ B
- Silentblok B - D25 - H18 - M8/25mm x M8
- Katalogové číslo: 338563
- Celní sazebník: 40169952
Silentblok B - D25 - H18 - M8/25mm x M8
Specifikace
- Materiál:
- NK(NR)
- Typ:
- B
- Tvrdost (Sh A):
- 55 (+/-5)
- Rozměr 1:
- D25 - H18
- Rozměr 2:
- M8/25mm x M8
- Vnitřní průměr (d) (mm):
- 0,00
- Vnější průměr (D) (mm):
- 25,00
- Výška (H) (mm):
- 18,00
- Závit (g):
- M8
- Délka závitu (I) (mm):
- 25
+420 777 666 555
(Po‐Pá 7:00‐15:15)
Varianty produktu
4727 variantNaposledy navštívené produkty
4 produkty
121807
Gufero NBR G 30 x 62 x 10
Skladem
od 14,69 Kč / ks
od 17,77 Kč vč. DPH
1 ks
27,54 Kč
27,54 Kč
od 10 ks
22,95 Kč
22,95 Kč
od 20 ks
14,69 Kč
14,69 Kč
Do 14 dnů
od 56,06 Kč / ks
od 67,83 Kč vč. DPH
1 ks
100,11 Kč
100,11 Kč
od 10 ks
72,08 Kč
72,08 Kč
od 30 ks
56,06 Kč
56,06 Kč
224713
Gufero NBR GP 115 x 160 x 15
Skladem
od 65,02 Kč / ks
od 78,67 Kč vč. DPH
1 ks
121,90 Kč
121,90 Kč
od 10 ks
101,59 Kč
101,59 Kč
od 20 ks
65,02 Kč
65,02 Kč















