- Úvod
- Katalog
- Silentbloky
- Typ B
- Silentblok B - D25 - H20 - M8/12mm x M8
- Katalogové číslo: 338602
- Celní sazebník: 40169952
Silentblok B - D25 - H20 - M8/12mm x M8
Specifikace
- Materiál:
- NK(NR)
- Typ:
- B
- Tvrdost (Sh A):
- 55 (+/-5)
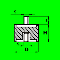
- Rozměr 1:
- D25 - H20
- Rozměr 2:
- M8/12mm x M8
- Vnitřní průměr (d) (mm):
- 0,00
- Vnější průměr (D) (mm):
- 25,00
- Výška (H) (mm):
- 20,00
- Závit (g):
- M8
- Délka závitu (I) (mm):
- 12
+420 777 666 555
(Po‐Pá 7:00‐15:15)
Varianty produktu
4727 variant










