- Úvod
- Katalog
- Silentbloky
- Typ B
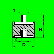
- Silentblok B - D25 - H27 - M6/15mm x M6
- Katalogové číslo: 338661
- Celní sazebník: 40169952
Silentblok B - D25 - H27 - M6/15mm x M6
Specifikace
- Materiál:
- NK(NR)
- Typ:
- B
- Tvrdost (Sh A):
- 55 (+/-5)
- Rozměr 1:
- D25 - H27
- Rozměr 2:
- M6/15mm x M6
- Vnitřní průměr (d) (mm):
- 0,00
- Vnější průměr (D) (mm):
- 25,00
- Výška (H) (mm):
- 27,00
- Závit (g):
- M6
- Délka závitu (I) (mm):
- 15
+420 777 666 555
(Po‐Pá 7:00‐15:15)
Varianty produktu
4727 variantNaposledy navštívené produkty
4 produkty
224892
Gufero NBR GP 170 x 190 x 15
Skladem
od 99,42 Kč / ks
od 120,29 Kč vč. DPH
1 ks
186,41 Kč
186,41 Kč
od 10 ks
155,35 Kč
155,35 Kč
od 20 ks
99,42 Kč
99,42 Kč
122841
Gufero NBR G 85 x 110 x 13
Skladem
od 33,83 Kč / ks
od 40,93 Kč vč. DPH
1 ks
63,43 Kč
63,43 Kč
od 10 ks
52,86 Kč
52,86 Kč
od 20 ks
33,83 Kč
33,83 Kč















