- Úvod
- Katalog
- Silentbloky
- Typ B
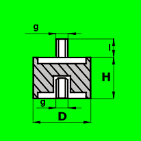
- Silentblok B - D30 - H15 - M10/33mm x M10
- Katalogové číslo: 338837
- Celní sazebník: 40169952
Silentblok B - D30 - H15 - M10/33mm x M10
Specifikace
- Materiál:
- NK(NR)
- Typ:
- B
- Tvrdost (Sh A):
- 55 (+/-5)
- Rozměr 1:
- D30 - H15
- Rozměr 2:
- M10/33mm x M10
- Vnitřní průměr (d) (mm):
- 0,00
- Vnější průměr (D) (mm):
- 30,00
- Výška (H) (mm):
- 15,00
- Závit (g):
- M10
- Délka závitu (I) (mm):
- 33
+420 777 666 555
(Po‐Pá 7:00‐15:15)
Varianty produktu
4727 variantNaposledy navštívené produkty
3 produkty
145351
Gufero NBR GP 45 x 59 x 10
Skladem
od 12,71 Kč / ks
od 15,37 Kč vč. DPH
1 ks
23,83 Kč
23,83 Kč
od 10 ks
19,86 Kč
19,86 Kč
od 20 ks
12,71 Kč
12,71 Kč














