- Úvod
- Katalog
- Silentbloky
- Typ B
- Silentblok B - D40 - H60 - M6/8mm x M6
- Katalogové číslo: 339870
- Celní sazebník: 40169952
Silentblok B - D40 - H60 - M6/8mm x M6
Specifikace
- Materiál:
- NK(NR)
- Typ:
- B
- Tvrdost (Sh A):
- 55 (+/-5)
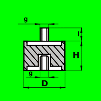
- Rozměr 1:
- D40 - H60
- Rozměr 2:
- M6/8mm x M6
- Vnitřní průměr (d) (mm):
- 0,00
- Vnější průměr (D) (mm):
- 40,00
- Výška (H) (mm):
- 60,00
- Závit (g):
- M6
- Délka závitu (I) (mm):
- 8
+420 777 666 555
(Po‐Pá 7:00‐15:15)
Varianty produktu
4727 variantNaposledy navštívené produkty
5 produktů
224431
Gufero NBR GP 72 x 95 x 13
Skladem
od 24,85 Kč / ks
od 30,06 Kč vč. DPH
1 ks
46,58 Kč
46,58 Kč
od 10 ks
38,82 Kč
38,82 Kč
od 20 ks
24,85 Kč
24,85 Kč
















