- Úvod
- Katalog
- Silentbloky
- Typ B
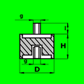
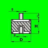
- Silentblok B - D60 - H45 - M10/20mm x M10
- Katalogové číslo: 340780
- Celní sazebník: 40169952
Silentblok B - D60 - H45 - M10/20mm x M10
Specifikace
- Materiál:
- NK(NR)
- Typ:
- B
- Tvrdost (Sh A):
- 55 (+/-5)
- Rozměr 1:
- D60 - H45
- Rozměr 2:
- M10/20mm x M10
- Vnitřní průměr (d) (mm):
- 0,00
- Vnější průměr (D) (mm):
- 60,00
- Výška (H) (mm):
- 45,00
- Závit (g):
- M10
- Délka závitu (I) (mm):
- 20
+420 777 666 555
(Po‐Pá 7:00‐15:15)
Varianty produktu
4727 variantNaposledy navštívené produkty
2 produkty
224619
Gufero NBR GP 98 x 130 x 12
Skladem
od 45,32 Kč / ks
od 54,83 Kč vč. DPH
1 ks
84,96 Kč
84,96 Kč
od 10 ks
70,80 Kč
70,80 Kč
od 20 ks
45,32 Kč
45,32 Kč
224113
Gufero NBR GP 52 x 84 x 12
Skladem
od 21,50 Kč / ks
od 26,01 Kč vč. DPH
1 ks
40,32 Kč
40,32 Kč
od 10 ks
33,60 Kč
33,60 Kč
od 20 ks
21,50 Kč
21,50 Kč













