- Úvod
- Katalog
- Silentbloky
- Typ B
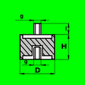
- Silentblok B - D70 - H55 - M8/23mm x M8
- Katalogové číslo: 341123
- Celní sazebník: 40169952
Silentblok B - D70 - H55 - M8/23mm x M8
Specifikace
- Materiál:
- NK(NR)
- Typ:
- B
- Tvrdost (Sh A):
- 55 (+/-5)
- Rozměr 1:
- D70 - H55
- Rozměr 2:
- M8/23mm x M8
- Vnitřní průměr (d) (mm):
- 0,00
- Vnější průměr (D) (mm):
- 70,00
- Výška (H) (mm):
- 55,00
- Závit (g):
- M8
- Délka závitu (I) (mm):
- 23
+420 777 666 555
(Po‐Pá 7:00‐15:15)
Varianty produktu
4727 variant










