- Úvod
- Katalog
- Silentbloky
- Typ B
- Silentblok B - D75 - H35 - M8/20mm x M8
- Katalogové číslo: 341350
- Celní sazebník: 40169952
Silentblok B - D75 - H35 - M8/20mm x M8
Specifikace
- Materiál:
- NK(NR)
- Typ:
- B
- Tvrdost (Sh A):
- 55 (+/-5)
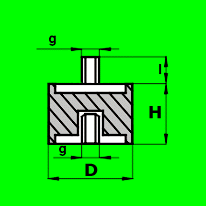
- Rozměr 1:
- D75 - H35
- Rozměr 2:
- M8/20mm x M8
- Vnitřní průměr (d) (mm):
- 0,00
- Vnější průměr (D) (mm):
- 75,00
- Výška (H) (mm):
- 35,00
- Závit (g):
- M8
- Délka závitu (I) (mm):
- 20
+420 777 666 555
(Po‐Pá 7:00‐15:15)
Varianty produktu
4727 variantNaposledy navštívené produkty
1 produkt
224367
Gufero NBR GP 67 x 82 x 7
Skladem
od 21,50 Kč / ks
od 26,01 Kč vč. DPH
1 ks
40,32 Kč
40,32 Kč
od 10 ks
33,60 Kč
33,60 Kč
od 20 ks
21,50 Kč
21,50 Kč












