- Úvod
- Katalog
- Silentbloky
- Typ B
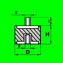
- Silentblok B - D75 - H35 - M12/25mm x M12
- Katalogové číslo: 341371
- Celní sazebník: 40169952
Silentblok B - D75 - H35 - M12/25mm x M12
Specifikace
- Materiál:
- NK(NR)
- Typ:
- B
- Tvrdost (Sh A):
- 55 (+/-5)
- Rozměr 1:
- D75 - H35
- Rozměr 2:
- M12/25mm x M12
- Vnitřní průměr (d) (mm):
- 0,00
- Vnější průměr (D) (mm):
- 75,00
- Výška (H) (mm):
- 35,00
- Závit (g):
- M12
- Délka závitu (I) (mm):
- 25
+420 777 666 555
(Po‐Pá 7:00‐15:15)
Varianty produktu
4727 variantNaposledy navštívené produkty
6 produktů
















