- Úvod
- Katalog
- Silentbloky
- Typ B
- Silentblok B - D75 - H55 - M12/42mm x M12
- Katalogové číslo: 341530
- Celní sazebník: 40169952
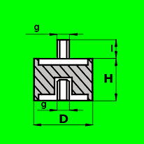
Silentblok B - D75 - H55 - M12/42mm x M12
Specifikace
- Materiál:
- NK(NR)
- Typ:
- B
- Tvrdost (Sh A):
- 55 (+/-5)
- Rozměr 1:
- D75 - H55
- Rozměr 2:
- M12/42mm x M12
- Vnitřní průměr (d) (mm):
- 0,00
- Vnější průměr (D) (mm):
- 75,00
- Výška (H) (mm):
- 55,00
- Závit (g):
- M12
- Délka závitu (I) (mm):
- 42
+420 777 666 555
(Po‐Pá 7:00‐15:15)
Varianty produktu
4727 variantNaposledy navštívené produkty
4 produkty
123305
Gufero NBR G 380 x 420 x 15
Skladem
od 463,63 Kč / ks
od 560,99 Kč vč. DPH
1 ks
869,30 Kč
869,30 Kč
od 5 ks
724,42 Kč
724,42 Kč
od 10 ks
463,63 Kč
463,63 Kč















