- Úvod
- Katalog
- Silentbloky
- Typ B
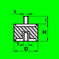
- Silentblok B - D80 - H40 - M12/25mm x M12
- Katalogové číslo: 341734
- Celní sazebník: 40169952
Silentblok B - D80 - H40 - M12/25mm x M12
Specifikace
- Materiál:
- NK(NR)
- Typ:
- B
- Tvrdost (Sh A):
- 55 (+/-5)
- Rozměr 1:
- D80 - H40
- Rozměr 2:
- M12/25mm x M12
- Vnitřní průměr (d) (mm):
- 0,00
- Vnější průměr (D) (mm):
- 80,00
- Výška (H) (mm):
- 40,00
- Závit (g):
- M12
- Délka závitu (I) (mm):
- 25
+420 777 666 555
(Po‐Pá 7:00‐15:15)
Varianty produktu
4727 variantNaposledy navštívené produkty
2 produkty
122612
Gufero NBR G 62 x 85 x 10
Skladem
od 22,27 Kč / ks
od 26,94 Kč vč. DPH
1 ks
41,74 Kč
41,74 Kč
od 10 ks
34,79 Kč
34,79 Kč
od 20 ks
22,27 Kč
22,27 Kč
224938
Gufero NBR GP 195 x 240 x 15
Skladem
od 189,65 Kč / ks
od 229,47 Kč vč. DPH
1 ks
355,60 Kč
355,60 Kč
od 10 ks
296,33 Kč
296,33 Kč
od 20 ks
189,65 Kč
189,65 Kč













