- Úvod
- Katalog
- Silentbloky
- Typ B
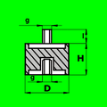
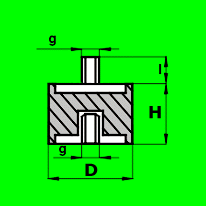
- Silentblok B - D100 - H40 - M10/20mm x M10
- Katalogové číslo: 341950
- Celní sazebník: 40169952
Silentblok B - D100 - H40 - M10/20mm x M10
Specifikace
- Materiál:
- NK(NR)
- Typ:
- B
- Tvrdost (Sh A):
- 55 (+/-5)
- Rozměr 1:
- D100 - H40
- Rozměr 2:
- M10/20mm x M10
- Vnitřní průměr (d) (mm):
- 0,00
- Vnější průměr (D) (mm):
- 100,00
- Výška (H) (mm):
- 40,00
- Závit (g):
- M10
- Délka závitu (I) (mm):
- 20
+420 777 666 555
(Po‐Pá 7:00‐15:15)
Varianty produktu
4727 variantNaposledy navštívené produkty
2 produkty
Skladem
od 36,69 Kč / ks
od 44,40 Kč vč. DPH
1 ks
68,80 Kč
68,80 Kč
od 20 ks
45,87 Kč
45,87 Kč
od 50 ks
36,70 Kč
36,70 Kč













