- Úvod
- Katalog
- Silentbloky
- Typ B
- Silentblok B - D100 - H55 - M10/18mm x M10
- Katalogové číslo: 342024
- Celní sazebník: 40169952
Silentblok B - D100 - H55 - M10/18mm x M10
Specifikace
- Materiál:
- NK(NR)
- Typ:
- B
- Tvrdost (Sh A):
- 55 (+/-5)
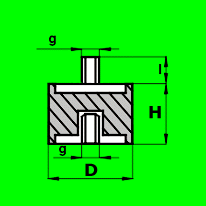
- Rozměr 1:
- D100 - H55
- Rozměr 2:
- M10/18mm x M10
- Vnitřní průměr (d) (mm):
- 0,00
- Vnější průměr (D) (mm):
- 100,00
- Výška (H) (mm):
- 55,00
- Závit (g):
- M10
- Délka závitu (I) (mm):
- 18
+420 777 666 555
(Po‐Pá 7:00‐15:15)
Varianty produktu
4727 variantNaposledy navštívené produkty
3 produkty
Skladem
od 10,48 Kč / ks
od 12,68 Kč vč. DPH
1 ks
19,65 Kč
19,65 Kč
od 50 ks
13,11 Kč
13,11 Kč
od 100 ks
10,48 Kč
10,48 Kč














