- Úvod
- Katalog
- Silentbloky
- Typ B
- Silentblok B - D100 - H100 - M16/26mm x M16
- Katalogové číslo: 342192
- Celní sazebník: 40169952
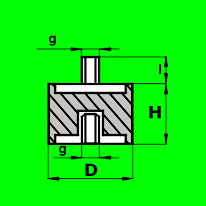
Silentblok B - D100 - H100 - M16/26mm x M16
Specifikace
- Materiál:
- NK(NR)
- Typ:
- B
- Tvrdost (Sh A):
- 55 (+/-5)
- Rozměr 1:
- D100 - H100
- Rozměr 2:
- M16/26mm x M16
- Vnitřní průměr (d) (mm):
- 0,00
- Vnější průměr (D) (mm):
- 100,00
- Výška (H) (mm):
- 100,00
- Závit (g):
- M16
- Délka závitu (I) (mm):
- 26
Na zakázku
1.185,67 Kč / ks
1.434,66 Kč vč. DPH
Máte specifický požadavek?
+420 777 666 555
(Po‐Pá 7:00‐15:15)
Varianty produktu
4727 variantNaposledy navštívené produkty
10 produktů




















