- Úvod
- Katalog
- Silentbloky
- Typ B
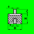
- Silentblok B - D164 - H75 - M16/46mm x M16
- Katalogové číslo: 342381
- Celní sazebník: 40169952
Silentblok B - D164 - H75 - M16/46mm x M16
Specifikace
- Materiál:
- NK(NR)
- Typ:
- B
- Tvrdost (Sh A):
- 55 (+/-5)
- Rozměr 1:
- D164 - H75
- Rozměr 2:
- M16/46mm x M16
- Vnitřní průměr (d) (mm):
- 0,00
- Vnější průměr (D) (mm):
- 164,00
- Výška (H) (mm):
- 75,00
- Závit (g):
- M16
- Délka závitu (I) (mm):
- 46
Na zakázku
1.748,11 Kč / ks
2.115,21 Kč vč. DPH
Máte specifický požadavek?
+420 777 666 555
(Po‐Pá 7:00‐15:15)
Varianty produktu
4727 variant










